Skip to main content

DMD15 Low‑Pulsation Peristaltic Pump Head

Low‑pulsation peristaltic pump head for high‑precision dosing and transfer applications.

DMD15 Low‑Pulsation Peristaltic Pump head
DMD15 Low‑Pulsation Peristaltic Pump head PPS

Description

The DMD15‑13 low‑pulsation peristaltic pump head was specifically developed for applications where low pulsation and high dosing accuracy are critical. Its innovative roller phase‑compensation structure significantly reduces pulsation and achieves exceptionally smooth pumping performance.

This design makes the DMD15‑13 ideal for precise filling, dosing, and dispensing tasks with small flow volumes, where consistent and reproducible fluid transfer is required. Depending on the chemical requirements, the pump head is available with PESU or PPS housing, providing good chemical resistance and high operational reliability. The robust design ensures stable performance even in continuous operation.

With a maximum flow rate of up to 2070 mL/min, the DMD15‑13 combines high precision, low pulsation, and strong pumping performance in a compact pump head.

Specifications

Speed range (rpm)
≤600 rpm
Number of rollers
6 rollers (2 × 3‑roller groups)
Stackable
Yes
Number of channels
1
Roller material
Stainless steel
Housing material
PESU or PPS
Weight (kg)
0.43

Compatible tubing

Tubing
Max. flow rate (mL/min)
Ref. dispensing volume (mL)
Ref. dispensing time (s)
Precision
2×13# (0.8 × 1.7 mm)
80
>0.8
>0.6
±2%
2×13# (0.8 × 1.7 mm)
80
>1.6
>1.2
±1%
2×14# (1.6 × 1.7 mm)
300
>3
>0.6
±2%
2×14# (1.6 × 1.7 mm)
300
>6
>1.2
±1%
2×19# (2.4 × 1.7 mm)
620
>6.2
>0.6
±2%
2×19# (2.4 × 1.7 mm)
620
>12.4
>1.2
±1%
2×16# (3.2 × 1.6 mm)
960
>9.6
>0.6
±2%
2×16# (3.2 × 1.6 mm)
960
>19.2
>1.2
±1%
2×25# (4.8 × 1.6 mm)
2070
>20.7
>0.6
±2%
2×25# (4.8 × 1.6 mm)
2070
>41.4
>1.2
±1%

Flow curves

DMD15 Flow curves

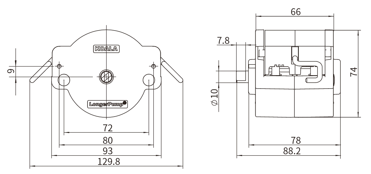
Dimensions

DMD15 Dimensions

Downloads