Skip to main content

DCP-100 Diaphragm Pumps

up to 100 mL/min – brushless motor

DCP-100 Diaphragm Pump

Description

The DCP‑100 Series comprises compact diaphragm pumps with a standard flow rate of 100 mL/min and a pressure range from −300 to +1000 mbar. They are suited for applications where reliable pressure and vacuum performance is required within a minimal installation space.

A high‑performance brushless motor ensures long service life, maintenance‑free operation, and low noise levels. All wetted components are made of non‑metallic materials, providing high chemical resistance and broad media compatibility.

Specifications

Type
DCP-100P-N1EE
DCP-100P-N1TG
Flow rate (max.)
100 mL/min
100 mL/min
Pressure (max.)
1000 mbar
1000 mbar
Vacuum (max.)
-300 mbar
-300 mbar
Drive
12VDC / 24 VDC
12VDC / 24 VDC
Media temperature
0–80 °C
0–80 °C
Ambient temperature
0–40 °C
0–40 °C
Power consumption
6 W
6 W
Connection
Hose barbs
Hose barbs
Wetted materials
PP / EPDM
PP / PTFE / FFKM
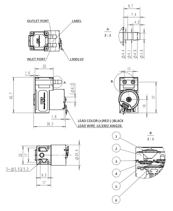
Dimensions
24.4 × 42.7 × 38.3 mm
24.4 × 42.7 × 38.3 mm
Weight
approx. 50 g
approx. 50 g

DCP-100 diaphragm pump performance curve

DCP-100 diaphragm pump performance curve

Dimensions

DCP-100 Dimensions